功能:
ADW2xx系列导轨式多回路电力仪表主要用于低压三相回路全电参量测量,同时可选择四个回路的电流输入。可直接或间接测量电压、电流、功率、功率因数、相角、不平衡度、谐波等参数。 还可通过其RJ45接口扩展辅助功能,实现DI、DO、测温、剩余电流测量,以及2G、4G、LoRa、LoRaWan、NB-Lot无线通信功能。
应用范围:
ADW2xx系列导轨式多回路电力仪表方便用户进行用电监测、集抄和管理。可灵活安装于配电箱内,实现对不同区域和不同负荷的分项电能计量,统计和分析。
订货范例:
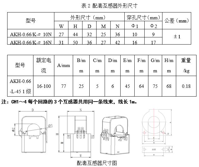
具体型号:ADW200-D10-4S-MK
技术要求:100A
通讯协议:RS485接口、Modbus-RTU协议
辅助电源:AC/DC 85~265V